The RS232 interface works with 8N1 at 115200 baud and no flow control. All communication is in ASCII, so you can test it with your favorite terminal program.
The interface provides read/write access to the 15 registers of the generator: For reading send the register number in ASCII, hex encoded, followed by a newline (0x0d or 0x0a or any combination). The device answers with a 10 bit ASCII hex string, finished by a 0x0d. For writing send register number = value, e.g. "0=2", followed by a newline. The register number can be one digit or two digits and the value can be from one to ten digits (higher digits assumed 0). See VHDL source code for the register description.

Sine:

Square Wave / Pulse, with 0.1 seconds high and 0.9 seconds low:

Noise FFT. Very good white noise with the Spartan3E starter kit 12 bit DAC up to 200 kHz.

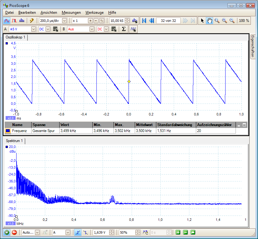
Sawtooth:

Inverse sawtooth:
Xilinx bit-file for Spartan3E starter kit, Windows program and all sources